Menu
Lang
Search
Home
Front Page
Products
Electricity distribution networks accessorise
Covered conductors
Spacer cable
Support
Training
Brochures
Documents
Articles
NEWS & EVENTS
CONTACT
ABOUT US
FA
EN
FA
EN
Products
Electricity distribution networks accessorise
Covered conductors
Spacer cable
Support
Training
Brochures
Documents
Articles
News & Events
Contact
About us
×
Primary image
Front page
Products
Covered conductors
Live line and earthing connectors
CO 70.1
CO 70.1
Live line connector
Code
CO 70.1
Name
Live line connector
Description
Used as a live line branching connector for covered conductors. The connector is made of corrosion resistant aluminium and the bolts are of stainless steel. The connector is watertight by silicone greased teeth. For copper branch conductors, the sleeve is needed. The installation can be made with a live line rod .
Pdf product card
Technical information
Ducumentation
Related Product
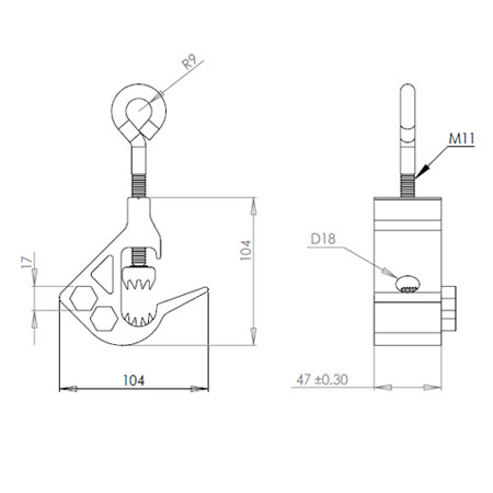
Dimensions
Weight:
0.49 kg
Electrical values:
Nominal voltage (Un):
12 … 36 kV
Covered conductor:
Al 35-157
Specification
Use:
Used when a branching or transformer connection to a live insulated conductor is required. By applying the stirrup first and then connecting to its loop any possible arcing damage to the conductor is avoided.
Construction:
Component
Material
Body
Corrosion resistant aluminium alloy, tensile strength 300 N/mm²
screws
Stainless steel / Aluminium
Installation:
The insulation of the conductor need not to be removed. The live-line clamp can be installed with standard live-line sticks. The screws have to be tightened to torque of 40 Nm.
Markings:
CO 70.1
Name
Standards
Installation instructions
Catalog Pages
Certificates
Live Line Connector CO 75.1
Stirrups L-Shaped CO 70.15
Stirrups U-shaped CO 70.25
Temporary Earthing CO 65.1
Contact us
Contact us
Name
Please fill this mandatory field
Email
Please fill this mandatory field
Company
Please fill this mandatory field
City
Please select inquiry subject:
Inquiry subject
General information
Customer service
Sales contacts
Technical inquiry
Please select an offering:
-- Select product line --
Covered conductors
Spacer cable
Your message
Please fill this mandatory field
Submit